
本系列直流电源系统主要由智能高频开关电源模块、彩色触摸屏中央监控系统、电力逆变装置、免维主P言电tl1和境电単元等构成,主要适用于100AH及以上的直流系统,具有重量轻、体积小、效率高、无污染等活多优点是传统直流电源成套装置的理想换代产品 i要置用于中小型发电厂;、水电站、500KV、220KV、110KV、35KV、10KV等各类变电站各美变电站、开闭所和其它使用直流设备的领域,如石化、矿山、铁路、通讯、治金、高层建筑等,作为高压开关分合l'i1、继电保主P、自动装置、信号装置等使用的操作电源及事故照明、控制用直流电源 。该系统具有“遥控、遥测、遥信、遥调”功能。易于实现电站综合自动化,是相控式直流电源的理想替代产品。

◎两路交流输入自动切换, 确保系统正常运行;
◎输入电压范围竟,电网适应性强1
◎采用 AT700A监控,全新的组态软件,彩色7寸(10.4寸)液晶显示器,蝕摸屏点触式操作,,32位真彩显示,刷新速度快、操作直观、人性化设计,可长期工作在长売状态;完善的真人语音报警系统 1
◎具有周全的系统设置、运行信息査询及各项告警等功能;
◎智能化的蓄电池充放电管理、完書可靠的温度补償功能;
◎整流模块采用带电热插拔, 日常維护方使快捷 1
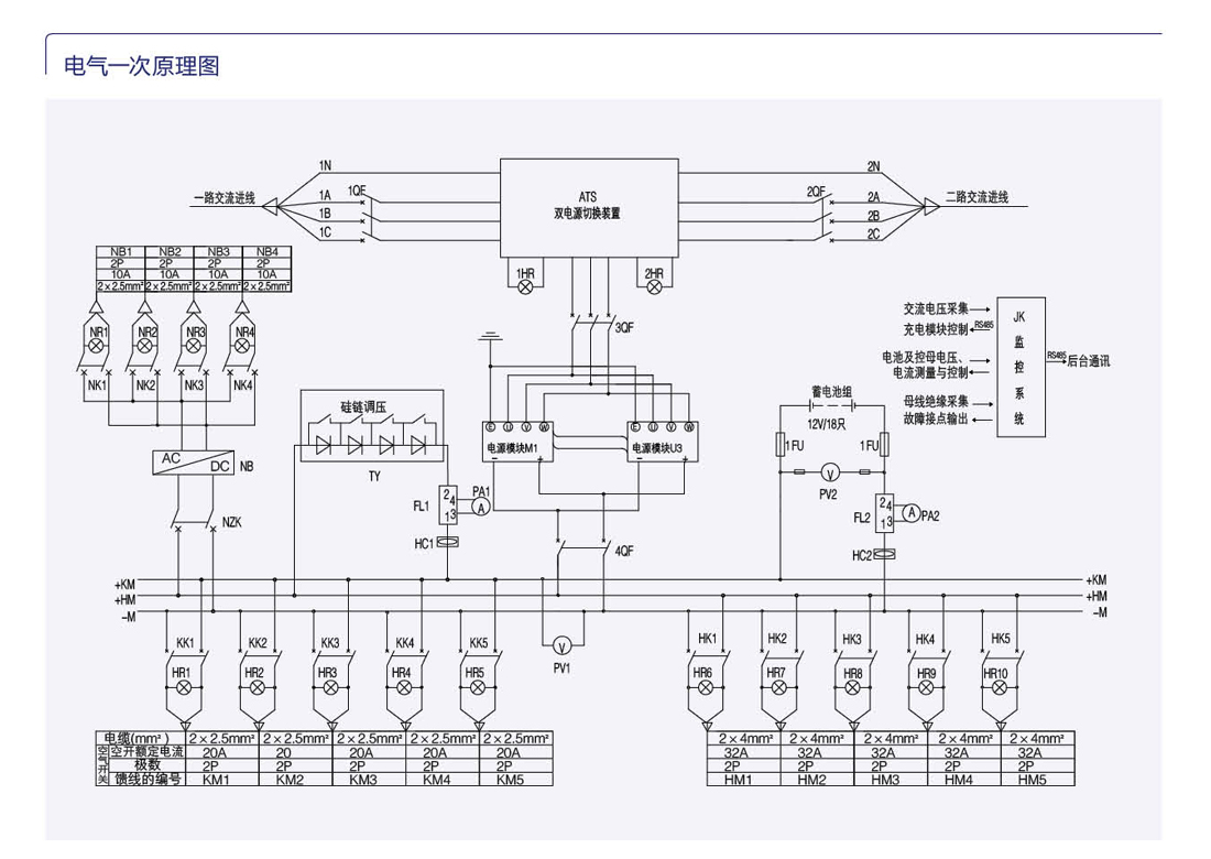
◎可控制整流模块最多26台1可扩展交直流检测2个単元、绝缘检测240路、蓄电池检测2组108书、开关量检测160路;可兼容逆变电源模:映、直流变换模块;
◎32M超大存储空间,系统内置 USB接口,具备多重打印输出系统1
◎系统采用多级密码权限管理, 限制末受权人员的操作,确保系统安全可靠置行;
◎内置 RS232、 RS485及以太网通讯接口,也可通过后台监;控和远程监控对系统实施“遥测、
遥控、置信、遥调·四遥功能,实现无人值守;
◎支持 RTU、 CDT、 MODBUS、lEC四种通讯规约选择;
◎可根据用户需求,定制系统使用功能与显示图文、增设 GPS短信报警功能。
系统技术参数
◎交流输入电压: 380V±20%
◎电网频率: 50Hz±10%
◎功率因数: ≥ 0.85
◎输出电压范围: 180V-280V连续可调
◎输出限流: 0.2A-1 0A(单模块)
◎稳J玉精度: ≤ ±0.5%
◎稳流精度:≤±0.5%
◎纹波系数:≤±0.1%
◎均流度: ≤ 5%
◎效率: ≥ 94%
◎输出过压保护: 280V±2V
◎绝缘电阻: ≥ 10M
◎绝缘电阻:≥10M
◎绝缘强度:输出对地、输入对地、输入对输出施加2K、/AC,时间1min无飞弧无闪络。
0人机界面: LCD液晶屏中文菜単显示,蝕摸屏操作。
◎通讯接口:支持 RS232和 RS485两种通讯模式,提供 RTU、 CDT、 MODBUS三种通讯规
约進择 。
◎柜体外形尺寸: (高 x宽 x深)mm-2260x800x600或2360x800x600
◎颜色:可进择。
◎系统接线方案:所有接线方案。

